Главное меню
АО «ДОНЭРМ»
Донецкий
Экспериментальный
Ремонтно-Механический завод

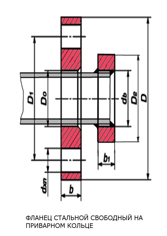
ФЛАНЦЫ (от немецкого слова Flansch) – соединительные части труб, резервуаров, валов и так далее. Как правило, фланцы выполняются заодно с основной деталью и представляют из себя плоское стальное кольцо или диск, в котором имеется отверстия под болты или шпильки. Фланцы обеспечивают прочность и герметичность соединения.
ОБЛАСТЬ ПРИМЕНЕНИЯ:
Фланцы применяются для присоединения трубопроводной арматуры (задвижки, клапаны, затворы, фильтры и пр.) к трубопроводам, соединения отдельных участков трубопроводов между собой и для присоединения трубопроводов к различному оборудованию (насосы, ёмкости, теплообменники и пр.)
Офланцевка трубопроводов: Dу 100 - Dу 400
Рабочее давление: от 10 атм. 1 МПа (10 кГс/см2) до 64 атм. 6,4 МПа (64 кГс/см2)
В комплект трубопровода входит:
борт (кольцо приварное) – 2 шт;
труба L=" 3500 – "5000 мм
ПРЕИМУЩЕСТВА ФЛАНЦЕВЫХ СОЕДИНЕНИЙ:
Фланцевые соединения обеспечивают герметичность и прочность конструкций, а также простоту изготовления, монтажа и демонтажа.


Номенклатура стальных фланцев производства АО «ДОНЭРМ»
|
Условный проход |
1 Мпа (10кгс/см2) |
2,5 МПа (25 кгс/см2) |
4 МПа (40 кгс/см2) |
6,4 МПа (64 кгс/см2) |
|
масса |
масса |
масса |
масса |
|
|
мм (Dу) |
1 шт., кг |
1 шт., кг |
1 шт., кг |
1 шт., кг |
|
100 (4") |
4,4 | 6 | 6 | 9,8 |
|
150 (6") |
7,6 | 10,7 | 10,7 | 22,3 |
|
200 (8") |
9,02 | 12,6 | 17,22 | 33,7 |
|
250 (10") |
14,5 | 17,8 | 27 | 48 |
|
300 (12") |
15,2 | 22,9 | 36,51 | 59,7 |
|
400 (16") |
24,4 | 42,6 |
КОМПЕНСАТОР САЛЬНИКОВЫЙ, СТУЛ ОПОРНЫЙ, КОЛЕНО ОПОРНОЕ используются при монтаже высоконапорных водоотливных трубопроводов в стволах шахт.
диаметры арматуры соответствуют диаметрам трубопроводов:
Dу 100мм - Dу 400мм;
рабочее давление Pу:
от 10атм. 1МПа (10кГс/см2)
до 64атм. 6,4МПа (64кГс/см2).

Компенсатор сальниковый Dу =" 300 мм, Pу = 64 атм.